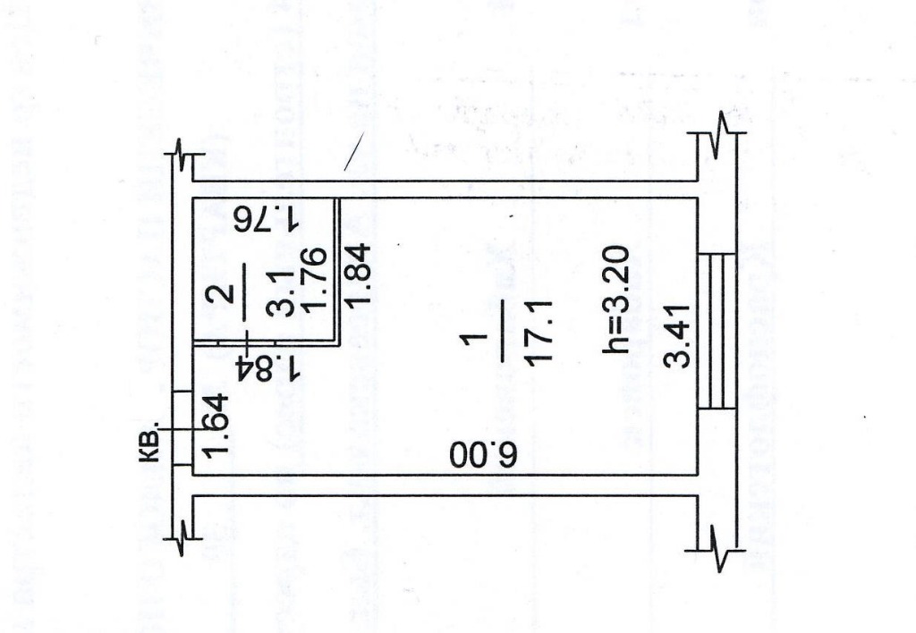
Продам квартиру по адресу: Быстринская 19 площадью 20.2 м2
1 900 000 РУБ
Создан: 8 мая 2018 года
Описание
Продается отличная квартира-студия с ремонтом в новом кирпичном 6-этажном жилом доме 19 Быстринская г. Хабаровск(рядом улицы Трехгорная, Воронежская, ул. Победы)! Облицовка фасада дома выполнена в едином архитектурном стиле «Старый Хабаровск» - красный кирпич со вставками из кирпича серого цвета, в доме имеется отличный лифт. Квартира светлая, солнечная. В квартире сделан качественный ремонт, пластиковые окна, теплый пол везде, ванна - кафель,низкие коммунальные платежи – зимой всего 2000 руб!!! Общая площадь:20,2 кв. м. Имеется кухонная зона (стол, плита), диван.. Детская площадка. Большая закрытая охраняемая парковка с видеонаблюдением. В подъезде дома декоративный ремонт. Территория благоустроена. Новая подъездная дорога. ТСЖ Экологически чистый район города, в котором есть вся инфраструктура: в шаговой доступности гипермаркеты Самбери, Три кота, гимназии №7 и 8, детские сады №137 и 197, автобусы - 23, 6, 16 До центра города 10 минут. Парк "Северный" в 7 минутах. Кинотеатр "Хабаровск" в 5 минутах











